平凸透鏡
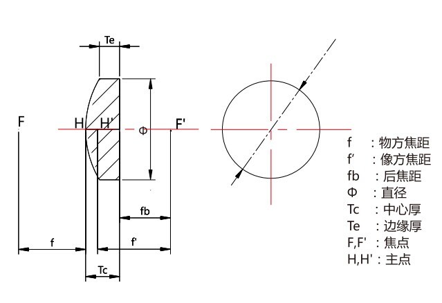
產品介紹:?平凸透鏡可以將準直光束會聚在后焦點上,也可以講點光源變成準直光束。激埃特生產額平凸透鏡通常是用K9玻璃制成,它們的增透鍍膜是針對400~700納米的波長范圍。也有采紫外石英為基材加工,當采用紫外石英為基材時,在紫外區域有很好的透過率和較低的熱膨脹系數,可鍍紫外AR膜配合特殊情況下使用。
- 型 號: 定制
- 規 格: 定制
- 材 料: 光學玻璃
關閉
產品咨詢
客服熱線:0755-89936779
